
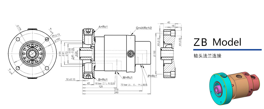
| 介质 压缩空气 最大使用压力: | 230 PSI | 16 bar | ||
| 介质 水 最大使用压力: | 230 PSI | 16 bar | ||
| 最高使用速度(转子): | ||||
| 1500 RPM | 1500 min-1 | |||
| 最高使用温度: | 100℃ | >100℃ 请咨询创启旋转接头 | ||


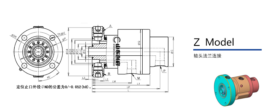
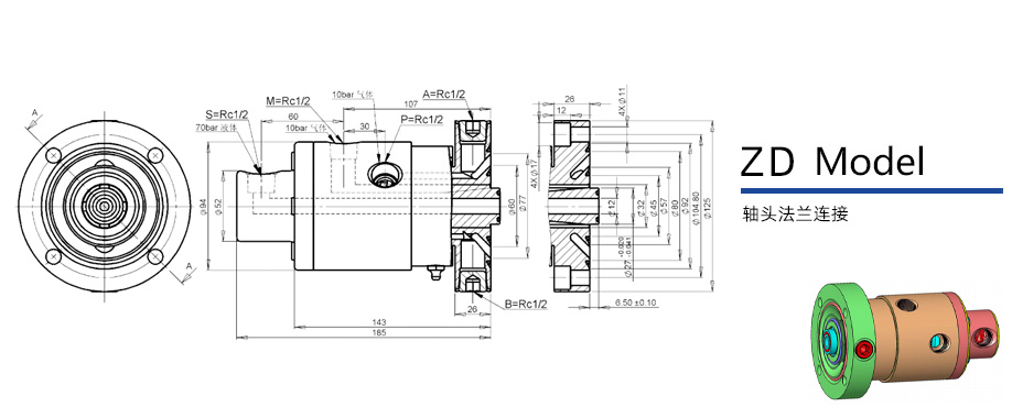
| Z型旋转接头 - 轴头法兰连接 | ||||||||||||||||||||||
| DN | Model | M | P | A | B | C | Q | P | T | U | L | L1 | L2 | L3 | LM | LP | N | ND | D1 | D2 | D3 | D4 |
| 20 | Z2×20 | Rc3/4 | Rc3/4 | Rc3/4 | Rc3/4 | 80 | 120 | 106 | 4 | 14 | 204 | 155 | 32 | 9.5 | 106 | 182 | 20 | 28.5 | 42 | 62 | 69 | 130 |

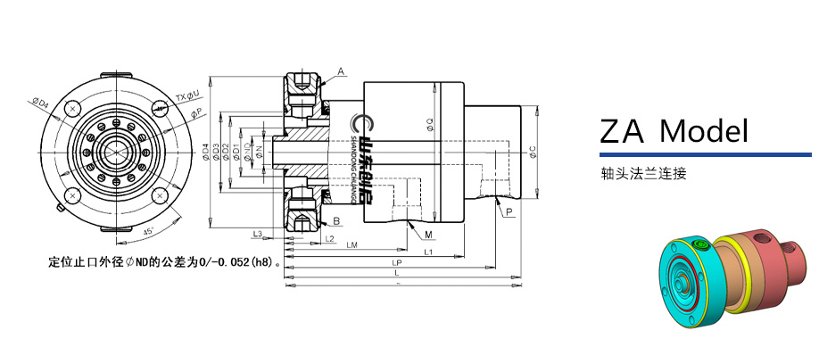
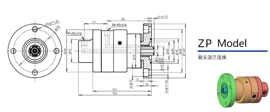
| ZA型旋转接头 - 轴头法兰连接 | |||||||||||||||||||||
| DN | Model | M | P | A | C | Q | P | T | U | L | L1 | L2 | L3 | LM | LP | N | ND | D1 | D2 | D3 | D4 |
| 15 | ZA2X15 | Rc1/2 | Rc1/2 | Rc1/2 | 53 | 96 | 91 | 4 | 11 | 163 | 123 | 30 | 6.5 | 105 | 145 | 12 | 19 | 37 | 53 | 64 | 110 |










