用于空气介质旋转接头
您当前所在的位置:首页 -> 产品中心 -> 用于空气介质旋转接头
Y3型通气三通路旋转接头
发表时间:2025-01-09 13:24:03  |  点击率:82
产品特点
PRODCUT FEATUREA
1. 有三个独立的流通通路。
2. 内部采用耐磨耐高压密封件密封。
3. 壳体内部两端采用两个球轴承支撑,球轴承配有双面防尘盖,是一种内部支撑式旋转接头。
4.由于在运转时,密封面之间存在摩擦扭矩,安装旋转接头时,需要外部采用止转杆止转,或依靠壳体上的进口、出口连接管路止转。
5. 旋转接头和管路连接时,通过 M 接口连接,流通高压液压油,推荐使用高压胶管。流通低压气体,推荐使用气线。
6. 旋转接头外管(转轴)和设备中旋转的轴头连接,是主要的运动部件。
7. 结构简单,维修方便。使用时不需要维护,使用方便。

可完美代替杜博林(DEUBLIN)、德国梅尔(Maier)、意大利(Rotoflux)、Duff-Norton、SMC
Y3型通气三通路旋转接头
技术参数
PATMETERS
介质 液压油 最大使用压力:

5800 PSI 400 bar
介质 空气 最大使用压力:

5800 PSI 400 bar
介质 水 最大使用压力:

5800 PSI 400 bar
最高使用速度(转子):



介质 液压油 最大使用速度:

200 RPM 200 min-1
介质 压缩空气 最大使用速度:

200 RPM 200 min-1
介质 冷却水 最大使用速度:

200 RPM 200 min-1
最高使用温度: 120℃ >120℃ 请咨询创启旋转接头
内部结构
INTERNAL STRUCTURE
Y3型通气三通路旋转接头零件名称
Y3型三通路通气旋转接头零件名称:
7.外管(K)(转轴),11.壳体,18.轴承(带密封圈)。
  K—外管(转轴)代号,M—管路接口代号,P—转轴接口代号。
产品介绍
Product Description
      Y3型通气三通路旋转接头系高压系列旋转接头的一种,它有两个独立的介质通道,可用于高压低速或高压高速(需订制)工况,不仅可以流通冷却水、超纯水、压缩空气、冷却液等常规流体介质,还可以在高压工况下流通液压油、干油、稀油、齿轮油等高压流通介质。主要用于工程机械、挖掘机、起重机、圆形喷灌机、指针式喷灌机、旋转喷灌臂、青贮饲料收获机割转台、转炉倾动装置、连铸机结晶器振动装置、卷取机、开卷机、纸机卷取部、纸机压光机、注塑机旋转工作台、吹塑机旋转模头等,还可以用于机床行业流通切削液和清洗行业流通高压清洗液等。
     通气三通路旋转接头的使用参数随其转速、温度、压力的不同,其使用极限值也不同。在特殊条件下,请与山东创启技术部联系。最高使用温度为 200℃或大于300RPM转速,需要定做。流通气体,压力有较低要求的,有较低扭矩要求的,需要说明定做。安装说明,见本站《液压旋转接头管路手册》
技术参数
Technical Specifications
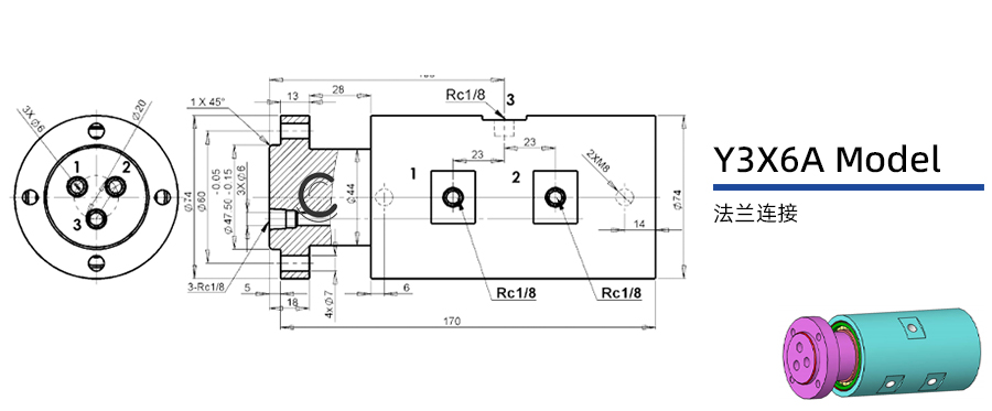
Y3X6A型通气三通路旋转接头图纸及简介
Y3X6A型通气三通路旋转接头图纸及简介
1.连接螺纹 2XM8 用于止转。
 2.连接尺寸可以定做。
 3.安装说明,见《液压旋转接头管路手册》
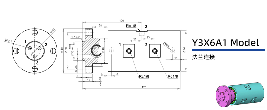
Y3X6A1型通气三通路旋转接头图纸及简介
Y3X6A1型通气三通路旋转接头图纸及简介
1.Y3X6A型旋转接头和Y3X6A1 型旋转接头的区别,Y3X6A 型旋转接头的外管端面采用螺纹连接,而 Y3X6A 型旋转接头的外管端面采用光孔连接。
 2.安装说明,见《液压旋转接头管路手册》
Y3X6B型通气三通路旋转接头图纸及简介
Y3X6B型通气三通路旋转接头图纸及简介
1.连接尺寸可以定做。
 2.安装说明,见《液压旋转接头管路手册》。
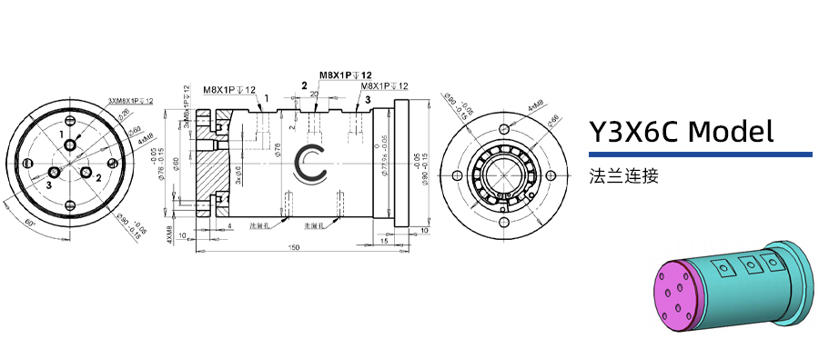
Y3X6C型通气三通路旋转接头图纸及简介
Y3X6C型通气三通路旋转接头图纸及简介
1.连接尺寸可以定做。
 2.安装说明,见《液压旋转接头管路手册》。
Y3X6D型通气三通路旋转接头图纸及简介
Y3X6D型通气三通路旋转接头图纸及简介
1.连接尺寸可以定做。
 2.安装说明,见《液压旋转接头管路手册》。
Y3X6E1型通气三通路旋转接头图纸及简介
Y3X6E1型通气三通路旋转接头图纸及简介
1.连接尺寸可以定做。
 2.安装说明,见《液压旋转接头管路手册》。
Y3X6E2型通气三通路旋转接头图纸及简介
Y3X6E2型通气三通路旋转接头图纸及简介
1.连接尺寸可以定做。
 2.中心转轴是中空的,直径为Φ25。
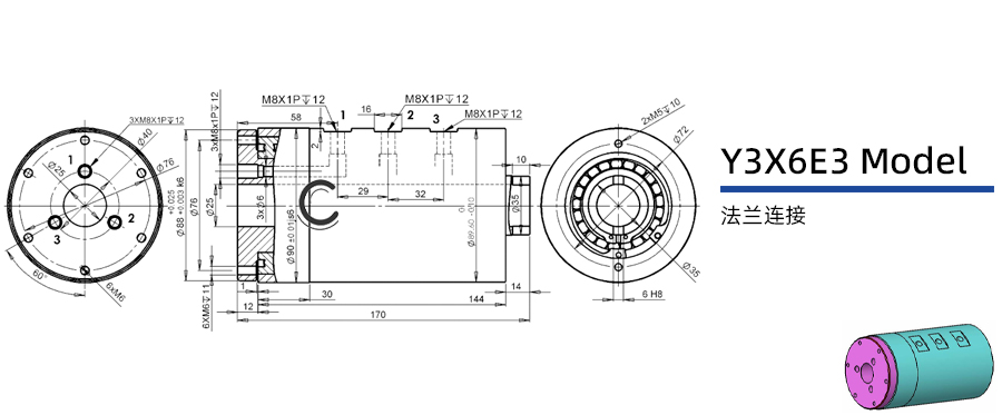
Y3X6E3型通气三通路旋转接头图纸及简介
Y3X6E3型通气三通路旋转接头图纸及简介
1.连接尺寸可以定做。
 2.中心转轴是中空的,直径为Φ25。
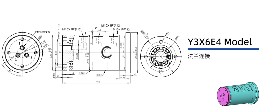
Y3X6E4型通气三通路旋转接头图纸及简介
Y3X6E4型通气三通路旋转接头图纸及简介
1.连接尺寸可以定做。
 2.安装说明,见《液压旋转接头管路手册》。
Y3X6F型通气三通路旋转接头图纸及简介
Y3X6F型通气三通路旋转接头图纸及简介
1.连接尺寸可以定做。
 2.安装说明,见《液压旋转接头管路手册》。
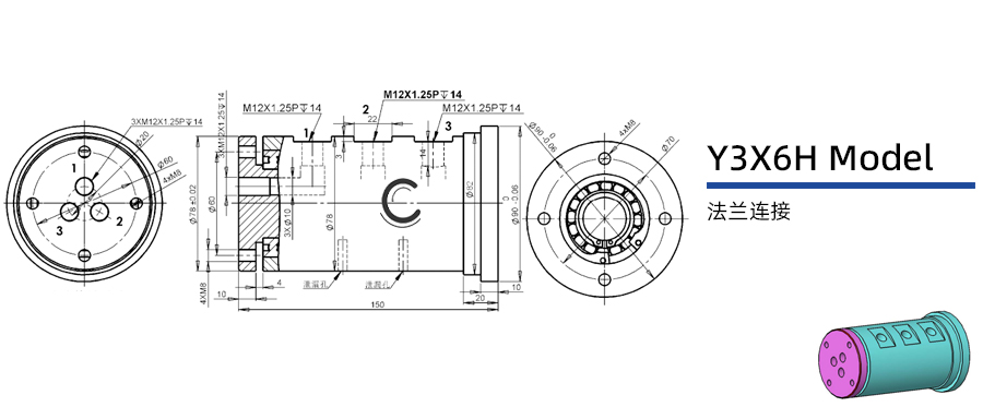
Y3X6H型通气三通路旋转接头图纸及简介
Y3X6H型通气三通路旋转接头图纸及简介
1.连接尺寸可以定做。
 2.安装说明,见《液压旋转接头管路手册》。
Y3X8型通气三通路旋转接头图纸及简介
Y3X8型通气三通路旋转接头图纸及简介
Y3X8型通气三通路旋转接头安装图纸
1.连接尺寸可以定做。
 2.安装说明,见《液压旋转接头管路手册》。
Y3X8A型通气三通路旋转接头图纸及简介
Y3X8A型通气三通路旋转接头图纸及简介
1.连接尺寸可以定做。
 2.安装说明,见《液压旋转接头管路手册》。
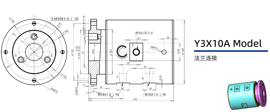
Y3X10A型通气三通路旋转接头图纸及简介
Y3X10A型通气三通路旋转接头图纸及简介
1.连接尺寸可以定做。
 2.中心转轴是中空的,直径为Φ40。
Y3X10M型通气三通路旋转接头图纸及简介
Y3X10M型通气三通路旋转接头图纸及简介
1.连接尺寸可以定做。
Y3X10G型通气三通路旋转接头图纸及简介
Y3X10G型通气三通路旋转接头图纸及简介
1.连接尺寸可以定做。
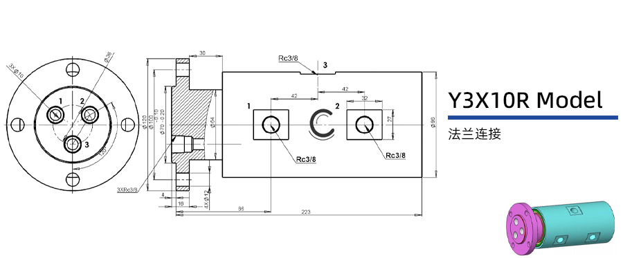
Y3X10R型通气三通路旋转接头图纸及简介
t型通气三通路旋转接头图纸及简介
1.连接尺寸可以定做。
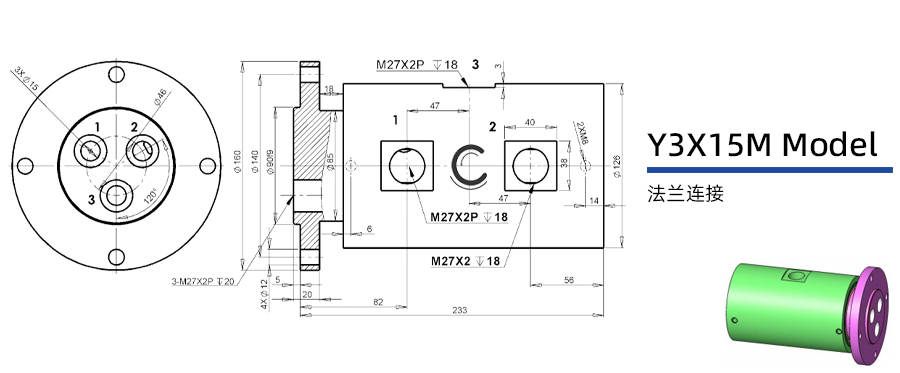
Y3X15M型通气三通路旋转接头图纸及简介
Y3X15M型通气三通路旋转接头图纸及简介
1.连接尺寸可以定做。
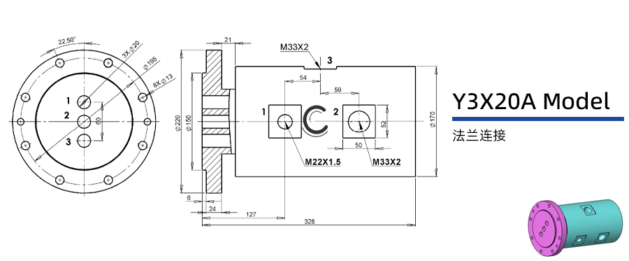
Y3X20A型通气三通路旋转接头图纸及简介
Y3X20A型通气三通路旋转接头图纸及简介
1.连接尺寸可以定做。
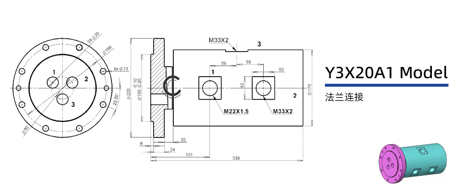
Y3X20A1型通气三通路旋转接头图纸及简介
Y3X20A1型通气三通路旋转接头图纸及简介
1.连接尺寸可以定做。
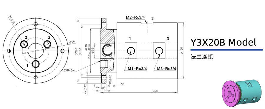
Y3X20B型通气三通路旋转接头图纸及简介
Y3X20B型通气三通路旋转接头图纸及简介
1.连接尺寸可以定做。
Y3X50A型通气三通路旋转接头图纸及简介
Y3X50A型通气三通路旋转接头图纸及简介
1.连接尺寸可以定做。
使用说明
Instructions for Use
      实践证明,旋转接头使用寿命短,主要是流经介质中含有硬质颗粒或其它污物引起。因此,在介质通入管路前,清洁管路和设备内部及旋转接头内部是极为重要的。
     流经的介质中的杂质会引起旋转接头密封失效。旋转接头密封件的使用寿命也主要由流经介质的过滤精度决定。随着流经介质过滤精度的提高,将会显著地提高旋转接头的使用寿命。推荐在管路中安装过滤装置,推荐的过滤精度不低于 50 微米。
Y3型通气三通路旋转接头三维立体图
Y3X3A型通气三通路旋转接头三维立体图
Y3X3A型通气三通路旋转接头三维立体图
Y3X6A型通气三通路旋转接头三维立体图
Y3X6A型通气三通路旋转接头三维立体图
Y3X6B型通气三通路旋转接头三维立体图
Y3X6B型通气三通路旋转接头三维立体图
Y3X8A型通气三通路旋转接头三维立体图
Y3X8A型通气三通路旋转接头三维立体图
Y3X10A型通气三通路旋转接头三维立体图
Y3X10A型通气三通路旋转接头三维立体图
Y3X15M型通气三通路旋转接头三维立体图
Y3X15M型通气三通路旋转接头三维立体图
版权所有:山东创启旋转接头 备案号:鲁ICP备2022011306号-3
官方微信
客服电话
13280260550