用于水介质旋转接头
您当前所在的位置:首页 -> 产品中心 -> 用于水介质旋转接头
Y2型通水两通路旋转接头
发表时间:2024-12-31 11:34:49  |  点击率:123
产品特点
PRODCUT FEATUREA
1. 有两个独立的流通通路。
2. 内部采用耐磨耐高压密封件密封。
3. 壳体内部两端采用两个球轴承支撑,球轴承配有双面防尘盖,是一种内部支撑式旋转接头。
4.由于在运转时,密封面之间存在摩擦扭矩,安装旋转接头时,需要外部采用止转杆止转,或依靠壳体上的进口、出口连接管路止转。
5. 旋转接头和管路连接时,通过 M 接口连接,流通高压液压油,推荐使用高压胶管。流通低压气体,推荐使用气线。
6. 旋转接头外管(转轴)和设备中旋转的轴头连接,是主要的运动部件。
7. 结构简单,维修方便。使用时不需要维护,使用方便。

可完美代替杜博林(DEUBLIN)、德国梅尔(Maier)、意大利(Rotoflux)、Duff-Norton、SMC
Y2型通水两通路旋转接头
技术参数
PATMETERS
介质 液压油 最大使用压力:

4650 PSI 320 bar
介质 空气 最大使用压力:

4650 PSI 320 bar
介质 水 最大使用压力:

4650 PSI 320 bar
最高使用速度(转子):



介质 液压油 最大使用速度:

500 RPM 500 min-1
介质 压缩空气 最大使用速度:

500 RPM 500 min-1
介质 冷却水 最大使用速度:

500 RPM 500 min-1
最高使用温度: 120℃ >120℃ 请咨询创启旋转接头
内部结构
INTERNAL STRUCTURE
Y2型通水两通路旋转接头零件名称
Y2型两通路液压旋转接头零件名称:
7.外管(K)(转轴),11.壳体,18.轴承(带密封圈),26.O 形圈。
 K—外管(转轴)代号,M—管路接口代号,P—转轴接口代号。
产品介绍
Product Description
       Y2型通气两通路旋转接头系高压系列旋转接头的一种,它有两个独立的介质通道,可用于高压低速或高压高速(需订制)工况,不仅可以流通冷却水、超纯水、压缩空气、冷却液等常规流体介质,还可以在高压工况下流通液压油、干油、稀油、齿轮油等高压流通介质。主要用于工程机械、挖掘机、起重机、圆形喷灌机、指针式喷灌机、旋转喷灌臂、青贮饲料收获机割转台、转炉倾动装置、连铸机结晶器振动装置、卷取机、开卷机、纸机卷取部、纸机压光机、注塑机旋转工作台、吹塑机旋转模头等,还可以用于机床行业流通切削液和清洗行业流通高压清洗液等。
      通水两通路旋转接头的使用参数随其转速、温度、压力的不同,其使用极限值也不同。在特殊条件下,请与山东创启技术部联系。最高使用温度为 200℃或大于300RPM转速,需要定做。流通气体,压力有较低要求的,有较低扭矩要求的,需要说明定做。安装说明,见本站《液压旋转接头管路手册》
技术参数
Technical Specifications
Y2X3型压缩空气通水两通路旋转接头图纸及简介
Y2X3型压缩空气旋转接头图纸
1.Y2X3型旋转接头为替代旋转接头,用于替代国外产品 SMC,订购号:MRQ2-M5。
 2.端面螺纹 2XM3 用于旋转接头安装和止转。
 3.Y2X3 型旋转接头主要用于流通气体,特别是压缩空气。
 4.连接尺寸可以定做。
 5.安装说明,见《液压旋转接头管路手册》
Y2X6A型通水两通路旋转接头介绍
Y2X6A型通水两通路旋转接头图纸
1.两端螺纹 M8 用于旋转接头安装和止转。
 2.连接尺寸可以定做。
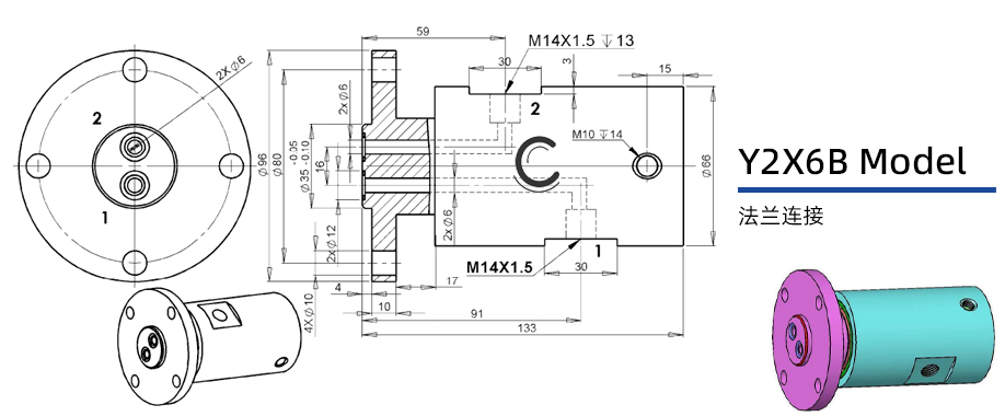
Y2X6B型通水两通路旋转接头介绍
Y2X6B型通水两通路旋转接头图纸
1.螺纹 M10 用于旋转接头安装和止转。
 2.连接尺寸可以定做。
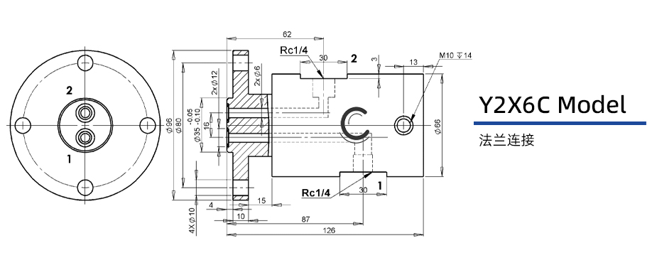
Y2X6C型通水两通路旋转接头介绍
Y2X6C型通水两通路旋转接头图纸
1.螺纹 M10 用于旋转接头安装和止转。
 2.连接尺寸可以定做。
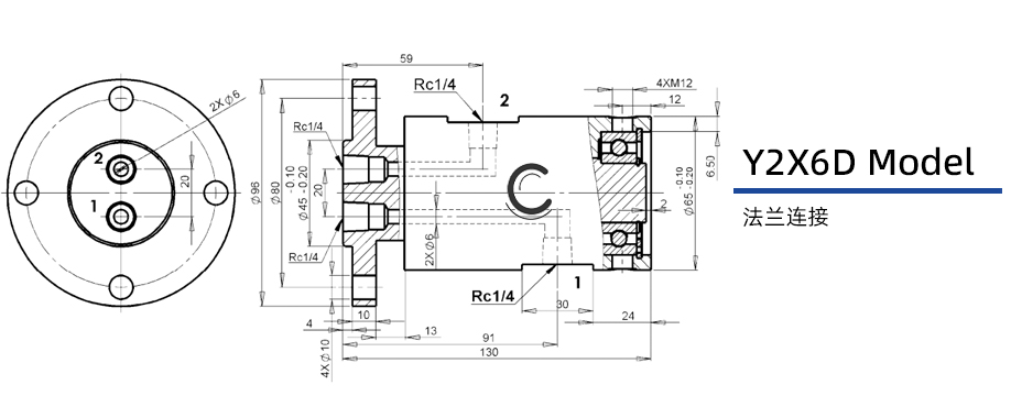
Y2X6D型通水两通路旋转接头介绍
Y2X6D型通水两通路旋转接头图纸
1.螺纹孔 4XM12 用于旋转接头壳体安装和止转。
 2.连接尺寸可以定做。
Y2X6E型通水两通路旋转接头介绍
Y2X6E型通水两通路旋转接头图纸
1.光孔 6XΦ7 用于旋转接头壳体安装和止转。
 2.连接尺寸可以定做。
Y2X6F型通水两通路旋转接头介绍
Y2X6F型通水两通路旋转接头图纸
1.螺纹孔 M10 用于旋转接头壳体安装和止转。
 2.连接尺寸可以定做。
 3.安装说明,见《液压旋转接头管路手册》,
Y2X6J型通水两通路旋转接头介绍
Y2X6J型通水两通路旋转接头图纸
1.螺纹孔 M12 用于旋转接头壳体安装和止转。
 2.连接尺寸可以定做。
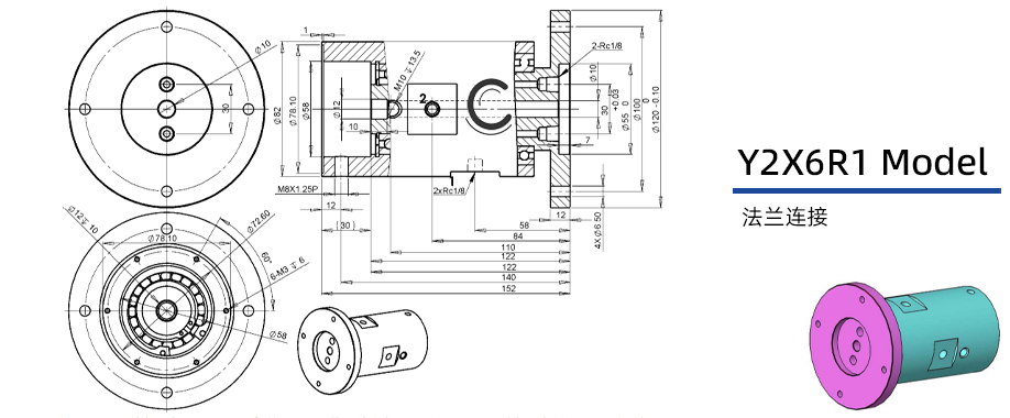
Y2X6R1型通水两通路旋转接头介绍
Y2X6R1型通水两通路旋转接头图纸
1.Y2X4型旋转接用于出口。
 2.螺纹 M10 用于旋转接头安装和止转。
 3.Y2X4型旋转接头主要用于流通气体,特别是压缩空气。
 4.尾端连接尺寸 6-M3用于安装导电滑环,中心通孔Φ10,用于穿导线。
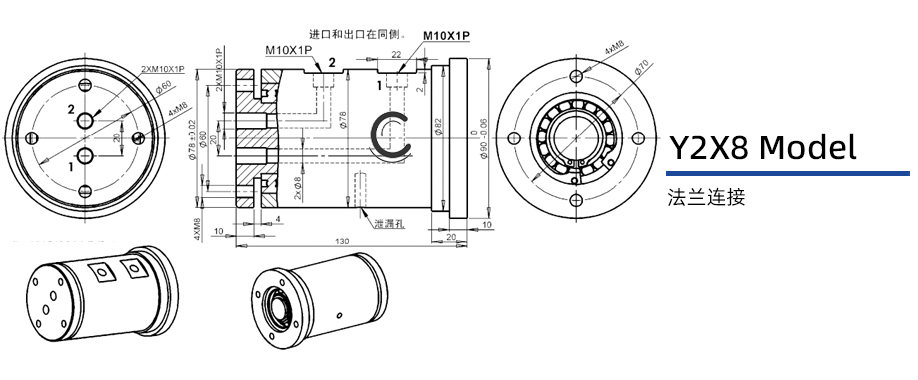
Y2X8型通水两通路旋转接头介绍
Y2X8型通水两通路旋转接头图纸
1.连接尺寸可以定做。
 2.安装说明,见《液压旋转接头管路手册》
Y2X8B型通水两通路旋转接头介绍
Y2X8B型通水两通路旋转接头图纸
1.连接尺寸可以定做。
 2.安装说明,见《液压旋转接头管路手册》
Y2X8C型通水两通路旋转接头介绍
Y2X8C型通水两通路旋转接头图纸
1.连接尺寸可以定做。
 2.安装说明,见《液压旋转接头管路手册》
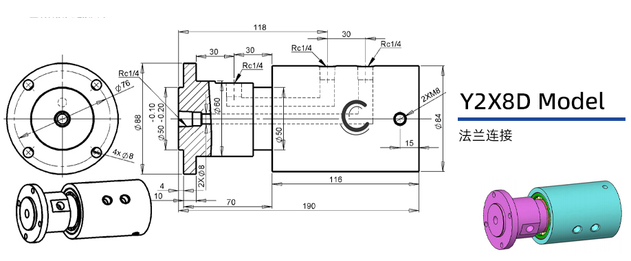
Y2X8D型通水两通路旋转接头介绍
Y2X8D型通水两通路旋转接头图纸
1.连接尺寸可以定做。
 2.安装说明,见《液压旋转接头管路手册》
Y2X8E型通水两通路旋转接头介绍
Y2X8E型通水两通路旋转接头图纸
1.连接尺寸可以定做。
 2.键槽深度为法兰厚度,16 毫米。
 3.外管 K(转轴)中空,通径为 60 毫米。
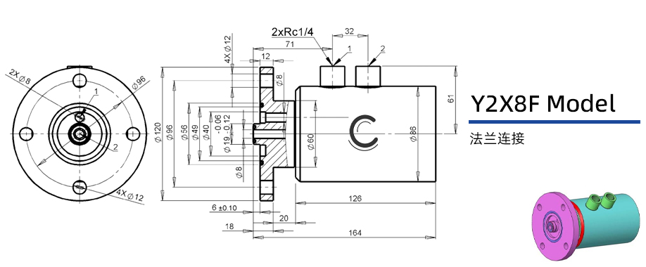
Y2X8F型通水两通路旋转接头介绍
Y2X8F型通水两通路旋转接头图纸
1.连接尺寸可以定做。
 2.可以替代 ZP2X8 型旋转接头,用于转速低于260RPM的工况,流通油,安装见《ZP型旋转接头样本》
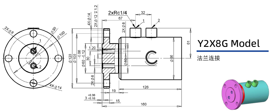
Y2X8G型通水两通路旋转接头介绍
Y2X8G型通水两通路旋转接头图纸
1.连接尺寸可以定做。
 2.Y2X8G 型旋转接头,端面采用 O 形圈密封,用于转速低于 260RPM 的工况,流通油,安装见《ZP型旋转接头样本》
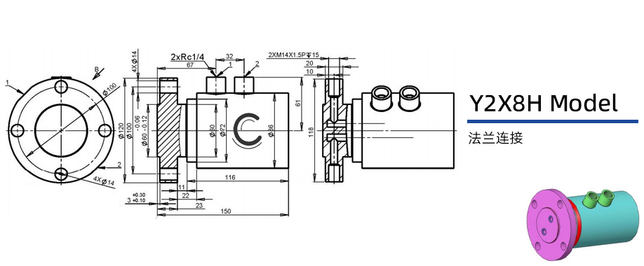
Y2X8H型通水两通路旋转接头介绍
Y2X8H型通水两通路旋转接头图纸
1.连接尺寸可以定做。
 2.可以替代 ZP2X8 型旋转接头,用于转速低于 260RPM 的工况,流通油,安装见《液压旋转接头管路手册》。
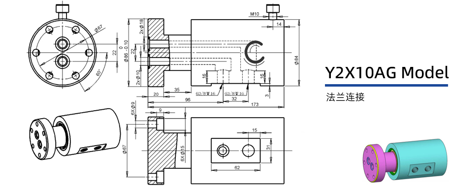
Y2X10AG型通水两通路旋转接头介绍
Y2X10AG型通水两通路旋转接头图纸
1.连接尺寸可以定做。
 2.螺栓 M10 用于止转。
 3.Y2X10AG,A 为序列号,G 代表壳体管路接口采用 BSP 螺纹连接。
 4.安装说明,见《液压旋转接头管路手册》。
Y2X10AR型通水两通路旋转接头介绍
Y2X10AR型通水两通路旋转接头图纸
1.连接尺寸可以定做。
 2.螺栓 M10 用于止转。
 3.Y2X10AR,A 为序列号,R 代表外管端面采用 BSPT 螺纹连接。
 4.安装说明,见《液压旋转接头管路手册》。
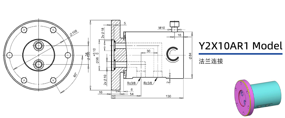
Y2X10AR1型通水两通路旋转接头介绍
Y2X10AR1型通水两通路旋转接头图纸
1.连接尺寸可以定做。
 2.螺栓 M10 用于止转。
 3.Y2X10AR,A 为序列号,R 代表外管端面采用 BSPT 螺纹连接。
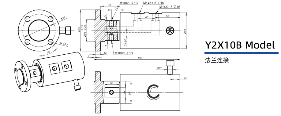
Y2X10B型通水两通路旋转接头介绍
Y2X10B型通水两通路旋转接头图纸
1.连接尺寸可以定做。
 2.螺栓 M12 用于止转。
 3.安装说明,见《液压旋转接头管路手册》。
Y2X10B1型通水两通路旋转接头介绍
Y2X10B1型通水两通路旋转接头图纸
1.连接尺寸可以定做。
 2.两端螺纹孔 4XM8 用于安装。
 3.安装说明,见《液压旋转接头管路手册》。
Y2X10B2型通水两通路旋转接头介绍
Y2X10B2型通水两通路旋转接头图纸
1.连接尺寸可以定做。
 2.螺栓 M10 用于止转,螺栓可用螺母锁紧。
Y2X10B3型通水两通路旋转接头介绍
Y2X10B3型通水两通路旋转接头图纸
1.连接尺寸可以定做。
 2.螺栓 M10 用于止转,螺栓可用螺母锁紧。
Y2X10B4型通水两通路旋转接头介绍
Y2X10B4型通水两通路旋转接头图纸
1.连接尺寸可以定做。
Y2X10C型通水两通路旋转接头介绍
Y2X10C型通水两通路旋转接头图纸
1.连接尺寸可以定做。
 2.Y2X10C型旋转接头,也称为液压旋转油缸。
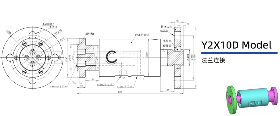
Y2X10D型通水两通路旋转接头介绍
Y2X10D型通水两通路旋转接头图纸
Y2X10D 型旋转接头,也称为液压旋转油缸,中心轴为传动轴,传递动力,通过快换法兰连接。快换法兰的使用,见《山东创启旋转接头快换法兰及半分环规格尺寸及安装使用方法》
Y2X10H型通水两通路旋转接头介绍
Y2X10H型通水两通路旋转接头图纸
1.连接尺寸可以定做。
 2.螺栓孔 4XM12 用于止转。
 3.中心通孔,允许穿电缆,尾端允许安装导电滑环。
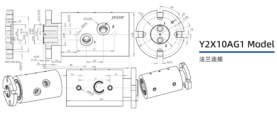
Y2X10AG1型压缩空气旋转接头介绍
Y2X10AG1型压缩空气旋转接头图纸
1.Y2X10 型旋转接头用于替代国外产品。
 2.螺纹 2XM10 用于安装和止转。
 3.外管法兰端面Φ5 为定位销孔。
 4.主要用于流通压缩空气。
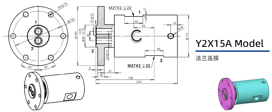
Y2X15A型通水两通路旋转接头两通路介绍
Y2X15A型压缩两通路图纸
1.连接尺寸可以定做。
 2.螺纹孔 M16 用于止转。
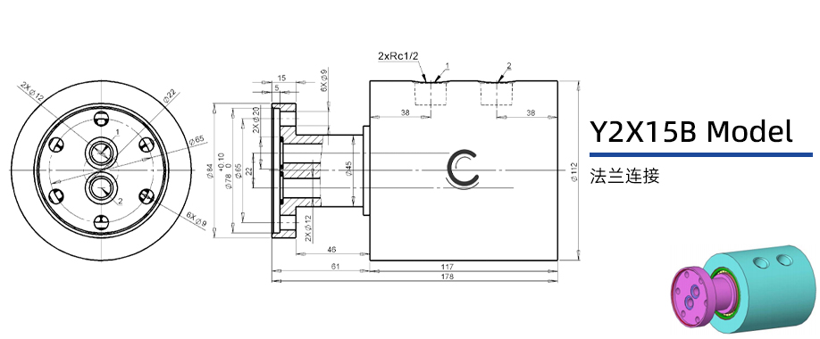
Y2X15B型通水两通路旋转接头介绍
Y2X15B型通水两通路旋转接头图纸
1.连接尺寸可以定做,外径可以缩到88毫米。
 2.用于替代具有相同连接尺寸的产品。
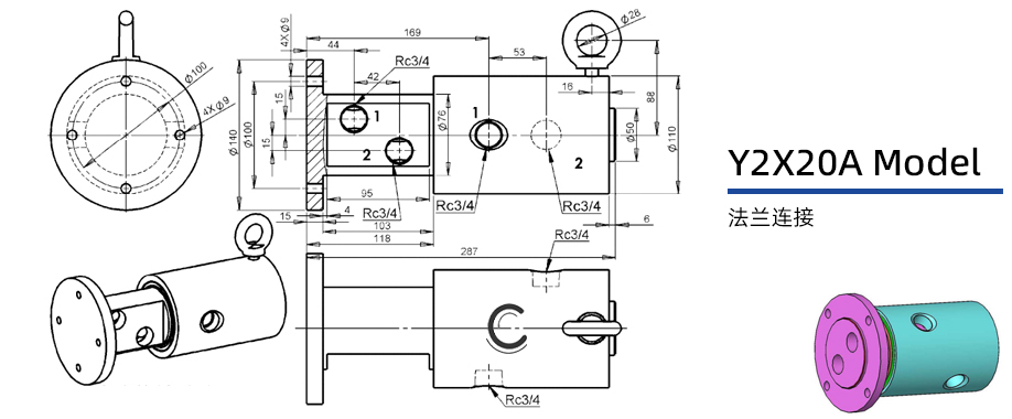
Y2X20A型通水两通路旋转接头旋转接头介绍
Y2X20A型通水两通路旋转接头图纸
1.连接尺寸可以定做。
 2.吊环螺栓 M12 用于止转。
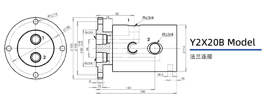
Y2X20B型通水两通路旋转接头介绍
Y2X20B型通水两通路旋转接头图纸
1.连接尺寸可以定做。
 2.螺纹孔 M12 用于止转。
 3.安装说明,见《液压旋转接头管路手册》。
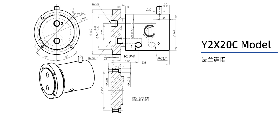
Y2X20C型通水两通路旋转接头介绍
Y2X20C型通水两通路旋转接头图纸
1.连接尺寸可以定做。
 2.光杆φ20用于止转。
 3.安装说明,见《液压旋转接头管路手册》。
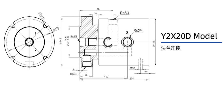
Y2X20D型通水两通路旋转接头介绍
Y2X20D型通水两通路旋转接头图纸
1.连接尺寸可以定做。
 2.螺纹孔M12用于止转
 3.安装说明,见《液压旋转接头管路手册》。
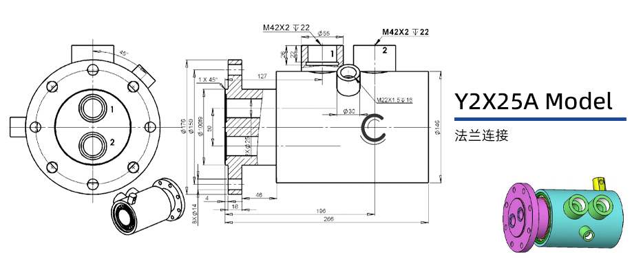
Y2X25A型通水两通路旋转接头介绍
Y2X25A型通水两通路旋转接头图纸
1.连接尺寸可以定做。
 2.光杆φ30用于止转。
 3.螺纹孔 M22X1.5 为流通介质泄漏观察孔,可不用。
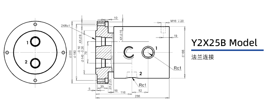
Y2X25B型通水两通路旋转接头介绍
Y2X25B型通水两通路旋转接头图纸
1.连接尺寸可以定做。
 2.螺纹孔M16用于止转
 3.安装说明,见《液压旋转接头管路手册》。
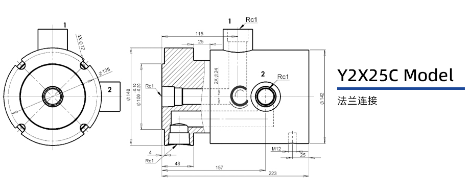
Y2X25C型通水两通路旋转接头介绍
Y2X25C型通水两通路旋转接头图纸
1.连接尺寸可以定做。
 2.螺纹孔M16用于止转
 3.安装说明,见《液压旋转接头管路手册》。
使用说明
Instructions for Use
实践证明,旋转接头使用寿命短,主要是流经介质中含有硬质颗粒或其它污物引起。因此,在介质通入管路前,清洁管路和设备内部及旋转接头内部是极为重要的。
流经的介质中的杂质会引起旋转接头密封失效。旋转接头密封件的使用寿命也主要由流经介质的过滤精度决定。随着流经介质过滤精度的提高,将会显著地提高旋转接头的使用寿命。推荐在管路中安装过滤装置,推荐的过滤精度不低于 50 微米。
Y2型通水两通路旋转接头实物图
Y2型冷却水两通路旋转接头实物图
Y2型冷却水两通路旋转接头实物图
Y2型冷却液两通路旋转接头实物图
Y2型冷却液两通路旋转接头实物图
Y2型吹塑机两通路旋转接头实物图
Y2型吹塑机两通路旋转接头实物图
Y2型喷灌机两通路旋转接头实物图
Y2型喷灌机两通路旋转接头实物图
Y2型通气两通路旋转三维立体图
Y2X10型通水两通路旋转接头三维立体图
Y2X10型通水两通路旋转接头三维立体图
Y2X10型通水两通路旋转接头三维立体图
Y2X10型通水两通路旋转接头三维立体图
Y2X3型通水两通路旋转接头三维立体图
Y2X3型通水两通路旋转接头三维立体图
Y2X6型通水两通路旋转接头三维立体图
Y2X6型通气两通路旋转三维立体图
Y2型通水两通路旋转接头三维立体图
Y2X8D型通水两通路旋转接头三维立体图
Y2X8E型通水两通路旋转接头三维立体图
Y2X8E型通水两通路旋转接头三维立体图
版权所有:山东创启旋转接头 备案号:鲁ICP备2022011306号-3
官方微信
客服电话
13280260550