
| 介质 液压油 最大使用压力: | 5100 PSI | 350 bar | ||
| 介质 压缩空气 最大使用压力: | 240 PSI | 16 bar | ||
| 介质 冷却水 最大使用压力: | 365 PSI | 25 bar | ||
| 最高使用速度(转子): | ||||
| 介质 液压油 最大使用速度: | 300 RPM | 300 min-1 | ||
| 介质 压缩空气 最大使用速度: | 200 RPM | 200 min-1 | ||
| 介质 冷却水 最大使用速度: | 1500 RPM | 1500 min-1 | ||
| 最高使用温度: | 120℃ | >120℃ 请咨询创启旋转接头 | ||

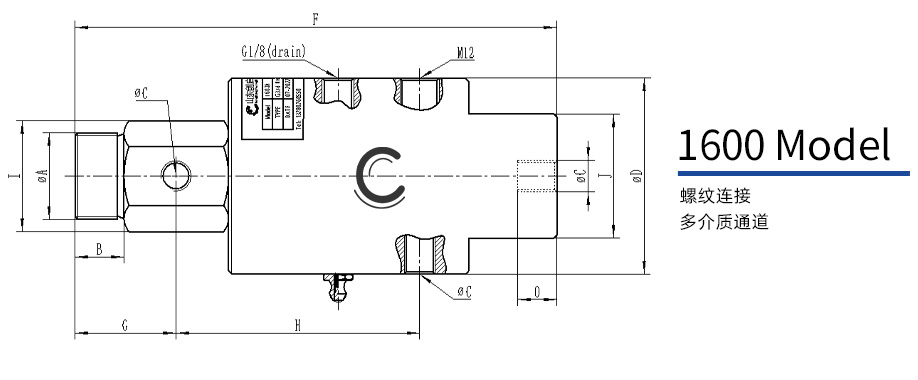
| 1600型两通路液压旋转接头 - 双通路 - 螺纹连接 | |||||||||||||
| ØDN | Model | ØA | B | ØC | ØD | E | F | G | H | I | J.Ø/Pts | O | P |
| 2xØ4 | 1619 1/4" K/C | 1/2" | 13 | 1/4" | 50 | GR15V | 103 | 24 | 49 | Ø27 | 30/24 | 10 | 12.5 |
| 2xØ9.5 | 1683 3/8" K/C | 3/4" | 15 | 3/8" | 60 | GR25V | 147.5 | 31 | 74.5 | Ø38 | 42/38 | 12 | 27 |
| 2xØ16 | 1644 1/2 K/C | 1" | 20 | 1/2" * | 80 | GR35V | 184 | 40 | 97 | Ø55 | 50/45 | 15 | 25 |
| 2xØ16 | 1644 3/4" K/C | 1" | 20 | 3/4" | 80 | GR35V | 184 | 40 | 97 | Ø55 | 50/45 | 15 | 25 |
| 2xØ25 | 1760 1 K/C | 1"1/2 | 20 | 1 | 90 | GR50V | 250 | 52 | 127 | 90 | 60/50 | 15 | 18 |




