
| 介质 空气 最大使用压力: | DN | 145 PSI | 10 bar | |
| 介质 液压油 最大使用压力: | 3000 PSI | 207 bar | ||
| 最大真空度: | 28" Hg | |||
| 最高使用速度(转子): | ||||
| DN | 250 RPM | 250 min-1 | ||
| 最高使用温度: | 120℃ | >120℃ 请咨询创启旋转接头 | ||


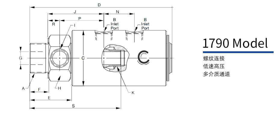
| 1790型两通路液压旋转接头 - 双通路 - 螺纹连接 | ||||||||||||||||
| Model | B Port NPT | A Rotor Thread | C Dia. | D | E | F | G Rotor ID | H** Across Flats | I Tap NPT | J Lock-up | K Tap NPT | N | P | R | S | Shpg Wt. |
| 1790-001-113 | (2)x1⁄2" | 1-1⁄4" NPT RH | 3" | 8-3⁄16" | 2-15⁄32" | 1-1⁄8" | 5⁄8" | 50.8 | 1⁄2" | 3-3⁄4" | 1⁄2" | 1-21⁄32" | 2-5⁄8" | 5⁄8" | – | 6-1⁄2# |
| 1790-001-101* | (2)x1⁄2" | 1-1⁄4" NPT RH | 3" | 8-3⁄16" | 2-15⁄32" | 1-1⁄8" | 1-1⁄16" | 50.8 | 1⁄2" | 3-3⁄4" | 1⁄2" | 1-21⁄32" | 2-5⁄8" | 5⁄8" | 5-1⁄16" | 6-1⁄2# |
| 1790-001-114 | (2)x1⁄2" | G1-1⁄4" (BSP) RH | 76 | 208 | 63 | 28 | 16 | 50.8 | 1⁄2" | 84.2 | 1⁄2" | 42 | 67 | 15.5 | – | 3 Kg |
| 1790-001-112* | (2)x1⁄2" | G1-1⁄4" (BSP) RH | 76 | 208 | 63 | 28 | 27 | 50.8 | 1⁄2" | 84.2 | 1⁄2" | 42 | 67 | 15.5 | 129 | 3 Kg |






