
| 介质 冷却液、水 最大使用压力: | DN | 15~25 | 230 PSI | 18 bar |
| 介质 液压油、齿轮油 最大使用压力: | 15~25 | 750 PSI | 50 bar | |
| 介质 压缩空气、蒸汽 最大使用压力: | 15~25 | 290 PSI | 20 bar | |
| 最高使用速度(转子): | ||||
| DN | 15~25 | 200 RPM | 200 min-1 | |
| 最高使用温度: | 120℃ | >120℃ 请咨询创启旋转接头 | ||

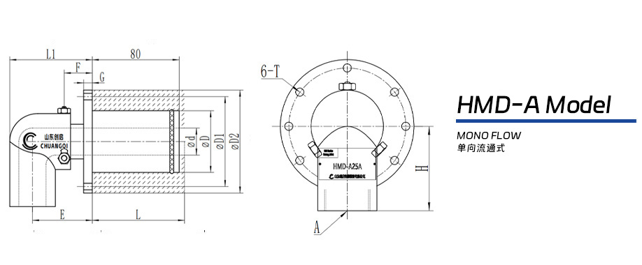
| HMD-A型连铸机埋入式旋转接头 - 单向流通式 - 法兰连接 | ||||||||||||||
| DN | Model | A | 安装孔D(H8) | 安装孔L | d | D1 | D2 | L1 | L2 | E | F | G | H | T |
| 15 | HMD-A 15 | Rc1/2 | 46 | 62 | 16 | 72 | 88 | 66 | 60 | 48 | 22 | 6 | 45 | M6 |
| 20 | HMD-A 20 | Rc3/4 | 46 | 62 | 17.5 | 72 | 88 | 66 | 60 | 48 | 22 | 6 | 45 | M6 |
| 25A | HMD-A 25A | Rc1 | 46 | 62 | 17.5 | 72 | 88 | 74 | 60 | 53 | 22 | 6 | 60 | M6 |
| 25B | HMD-A 25B | Rc2 | 59 | 82 | 25 | 83 | 95 | 76 | 76 | 53 | 24 | 8 | 60 | M6 |
| 注:安装孔尺寸可根据拉矫机、连轧机、连铸机、扇形锻设备实际连接尺寸订制! | ||||||||||||||

| HMD-B型连铸机埋入式旋转接头 - 单向流通式 | |||||||||||
| DN | Model | A | 安装孔D(H8) | 安装孔L | d | D1 | L1 | L2 | E | F | H |
| 15 | HMD-B 15 | Rc1/2 | 40 | 53.5 | 16 | 16 | 60 | 53.5 | 42 | 16 | 45 |
| 20A | HMD-B 20A | Rc3/4 | 46 | 67.5 | 17.5 | 28 | 60 | 67.5 | 42 | 16 | 45 |
| 20B | HMD-B 20B | Rc3/4 | 46 | 67.5 | 17.5 | 28 | 68 | 67.5 | 47 | 16 | 60 |
| 25 | HMD-B 25 | Rc1 | 59 | 98.5 | 25 | 38 | 68 | 98.5 | 47 | 16 | 60 |
| 注:安装孔尺寸可根据拉矫机、连轧机、连铸机、扇形锻设备实际连接尺寸订制! | |||||||||||




