
| 介质 冷却液、水 最大使用压力: | DN | 15~25 | 230 PSI | 18 bar |
| 介质 液压油、齿轮油 最大使用压力: | 15~25 | 750 PSI | 50 bar | |
| 介质 压缩空气、蒸汽 最大使用压力: | 15~25 | 290 PSI | 20 bar | |
| 最高使用速度(转子): | ||||
| DN | 15~25 | 200 RPM | 200 min-1 | |
| 最高使用温度: | 120℃ | >120℃ 请咨询创启旋转接头 | ||

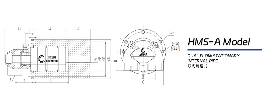
| HMS-A型连铸机埋入式旋转接头 - 双向流通式 - 法兰连接 | |||||||||||||||||
| DN | Model | A | B | C | d | 安装孔D(H8) | 安装孔L | D1 | D2 | L1 | L2 | L3 | E | F | G | H | T |
| 15 | HMS-A 15 | Rc1/2 | 51 | 85 | 14 | 46 | 62 | 72 | 88 | 73 | 60 | 49 | 49 | 23 | 6 | 39 | M6 |
| 20A | HMS-A 20A | Rc3/4 | 51 | 85 | 14 | 46 | 62 | 72 | 88 | 73 | 60 | 49 | 49 | 23 | 6 | 39 | M6 |
| 20B | HMS-A 20B | Rc3/4 | 51 | 85 | 19 | 59 | 82 | 83 | 95 | 73 | 76 | 49 | 49 | 23 | 6 | 39 | M6 |
| 25 | HMS-A 25 | Rc1 | 65 | 106 | 28 | 71 | 94 | 98 | 112 | 99 | 85 | 48 | 68 | 26 | 6 | 52 | M6 |
| 注:安装孔尺寸可根据拉矫机、连轧机、连铸机、扇形锻设备实际连接尺寸订制! | |||||||||||||||||

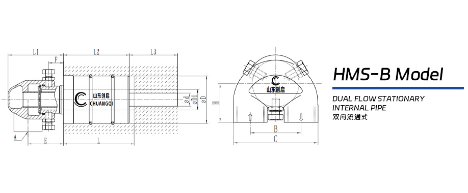
| HMS-B型连铸机埋入式旋转接头 - 双向流通式 | |||||||||||||
| DN | Model | A | B | C | d | 安装孔D(H8) | 安装孔L | D1 | L1 | L2 | E | F | H |
| 15 | HMS-B 15 | Rc1/2 | 51 | 85 | 14 | 46 | 67.8 | 28 | 67 | 49 | 43 | 16 | 39 |
| 20A | HMS-B 20A | Rc3/4 | 51 | 85 | 14 | 46 | 67.8 | 28 | 67 | 49 | 43 | 16 | 39 |
| 20B | HMS-B 20B | Rc3/4 | 51 | 85 | 19 | 59 | 98.5 | 38 | 67 | 49 | 43 | 16 | 39 |
| 25 | HMS-B 25 | Rc1 | 65 | 106 | 28 | 71 | 101 | 48 | 91 | 48 | 60 | 18 | 52 |
| 注:安装孔尺寸可根据拉矫机、连轧机、连铸机、扇形锻设备实际连接尺寸订制! | |||||||||||||






