
| 介质 水 最大使用压力: | DN | 02~05 | 160 PSI | 11 bar |
| 介质 氩气 最大使用压力: | 02~05 | 145 PSI | 10 bar | |
| 介质 空气 最大使用压力: | 02~05 | 290 PSI | 20 bar | |
| 介质 液压油 最大使用压力: | 02~05 | 5076 PSI | 350 bar | |
| 介质 氟利昂 最大使用压力: | 02~05 | 160 PSI | 10 bar | |
| 最大真空度: | 02~05 | 2 Hg | 7 kPa | |
| 最高使用速度(转子): | ||||
| DN | 02~05 | 250 RPM | 250 min-1 | |
| 最高使用温度: | 90℃ | >90℃ 请咨询创启旋转接头 | ||


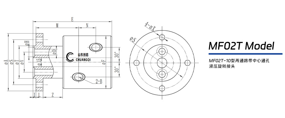
| MF02T型带中心通孔多通路液压旋转接头规格尺寸表 | ||||||||||||||||
| Model | A | B | C | D | E | F | H | I | L | M | N | S | T | V | X | Kg |
| MF02T-10A | 97 | G3/8 | 15 | 10 | 113 | 99 | 16 | 5 | 12 | 77 | 29 | 76 | 55 | 34 | 8.5 | 7.5 |
| 注:标准型号仅供参考;螺纹规格标准、法兰尺寸、通道通径、通道数量、长度及外径尺寸可根据设备要求非标订制! | ||||||||||||||||

| MF04T型带中心通孔多通路液压旋转接头规格尺寸表 | ||||||||||||||||
| Model | A | B | C | D | E | F | H | I | L | M | N | S | T | V | X | Kg |
| MF04T-10A | 97 | G3/8 | 15 | 10 | 191 | 99 | 16 | 5 | 12 | 77 | 29 | 76 | 55 | 34 | 8.5 | 9.5 |
| 注:标准型号仅供参考;螺纹规格标准、法兰尺寸、通道通径、通道数量、长度及外径尺寸可根据设备要求非标订制! | ||||||||||||||||

| Mf05T型带中心通孔多通路液压旋转接头规格尺寸表 | ||||||||||||||||
| Model | A | B | C | D | E | F | H | I | M | N | O | S | T | V | X | Kg |
| MF05T-10A | 195 | G3/8 | 80 | 10 | 270 | 178 | 16 | 5 | 92 | 24 | 29 | 165 | 135 | 102 | 13 | 29 |
| 注:标准型号仅供参考;螺纹规格标准、法兰尺寸、通道通径、通道数量、长度及外径尺寸可根据设备要求非标订制! | ||||||||||||||||






